Smb Connector Applications Taiwancast Inc
Mini Smb Connector Series Lyrics527
Smb Connectors Wellshow Rf Connector Rf Coaxial Cable Assembly Gsm Gps Wifi Antenna Manufacturer
Right Angle Smb Rf Connector Smb Male Connector 50w 75w Characteristic Impedance For Sale Smb Rf Connector Manufacturer From China 109223705
Smb Coaxial Connectors By Isotec
Smb Connectors Connectors
Smb Connectors Rf Rf Connectors Smb Type Rf Ct Made
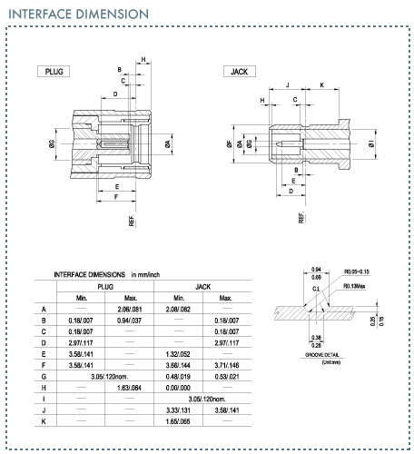
75 Ohm Smb Connector For Flexible Cable Manufacturer And Supplies China Dimensions Drawing Shenghao Electronic
Smb Plug Jack Misumi Misumi South East Asia
Smb Connectors Connectors For Semi Rigid Cable Connectors For Flexible Cable Receptacles Connectors Rf Connectors Cable Assembly Attenuator Filter Switch Amplifier Rfac Solutions
Smb Adapter Manufacturer And Supplies China Dimensions Drawing Shenghao Electronic
Smb Series Connector Anovay Inc
Smc Connectors For Semi Rigid Cable For Flexible Cable Receptacles Rf Connectors Cable Assembly Attenuator Filter Switch Amplifier Rfac Solutions
Rf Coaxial Smb Right Angle Plug Connectors Crimp For Lmr100 Rg174 Rg3
Http Datasheet Octopart Com 050 007 0000220 Itt Datasheet 25890 Pdf
High Performance Straight Crimp Connector Smc Rf Connectors For Rg316 Rg174 For Sale Smc Rf Connector Manufacturer From China 109554943
Smc Female Connector Manufacturer And Supplies China Dimensions Drawing Shenghao Electronic