Mini Smb Connector Series Lyrics527
Right Angle Smb Rf Connector Smb Male Connector 50w 75w Characteristic Impedance For Sale Smb Rf Connector Manufacturer From China 109223705
Smb Connectors Connectors For Semi Rigid Cable Connectors For Flexible Cable Receptacles Connectors Rf Connectors Cable Assembly Attenuator Filter Switch Amplifier Rfac Solutions
Smb Connectors Connectors
Smb Cable Connector Plug Female 75w Manufacturer Supplier Kls Electronic Co Ltd
Smc Female Connector Manufacturer And Supplies China Dimensions Drawing Shenghao Electronic
Smb Series
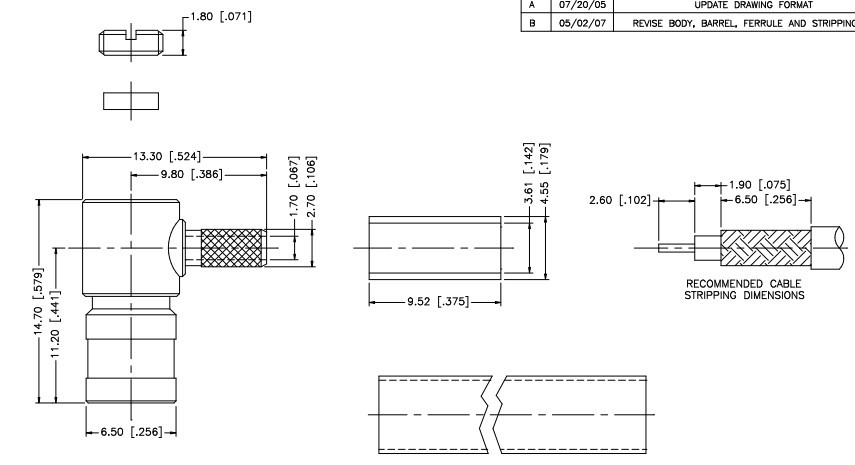
Smb Connector For Flexible Cable Manufacturer And Supplies China Dimensions Drawing Shenghao Electronic
Smb Connector Wikipedia
Smb Jack Female Straight Bulkhead Coaxial Connector 50w Smb Connector Cable
High Performance Straight Crimp Connector Smc Rf Connectors For Rg316 Rg174 For Sale Smc Rf Connector Manufacturer From China 109554943
Support Wellshow Technology Rf Connectors Smb Connectors Introduction
Http Datasheet Octopart Com 050 007 0000220 Itt Datasheet 25890 Pdf
Coaxplanet Technical Understanding Smb S
What Are Mcx Connectors Everything Rf
Smb Plug Jack Misumi Misumi South East Asia
How Long Is Financial Peace University Smb To Universal Fakra Connector
4 3 10 Connectors Connectors
Smc Series
Ssmc Rf Coaxial Connectors Zgtd Electronic Rf Coaxial Connectors And Coaxial Cable Assemblies Professional Supplier Of Microwave Components Sma Ssma Smb Ssmb Smc Ssmc Mcx Mmcx Bnc F Rca Uhf Sl16 Qma Bma Tnc N L16